Aluminiumösen

Aluminiumösen

Hier in unserem Werk in Dongguan produziert Nuote Metals hochwertige Aluminiumösen. Wir konzentrieren uns seit vielen Jahren auf die Herstellung von Aluminiumösen. Unser Aluminium wird sorgfältig ausgewählt, um sowohl leicht als auch stark zu sein. Diese Aluminiumösen rosten nicht und behalten ihre glänzende Oberfläche. Wir bieten Aluminiumösen in verschiedenen Größen an. Einige sind winzig, andere ziemlich groß. Jede Alu-Öse wird von unseren Mitarbeitern geprüft. Sie prüfen die Form und die Oberfläche. Kunden entscheiden sich oft für unsere Aluminiumösen. Sie finden sie zuverlässig und gut aussehend. Für diejenigen, die sie ausprobieren möchten, stellen wir schnelle Muster zur Verfügung.

Anfrage absenden

Produktbeschreibung

Einführung

Eine Aluminiumöse ist ein kleiner Ring aus Aluminium. Es hilft, Löcher in Stoff oder anderen Materialien zu verstärken. Aluminiumösen sind leichter als die meisten Metallösen. Dadurch sind sie einfach zu handhaben und zu versenden. Sie schützen die Lochränder vor Abnutzung. Beim Durchziehen von Schnürsenkeln oder Kordeln bleibt das Material intakt. Aluminiumösen sind wasserbeständig und korrodieren nicht. Ihr Finish bleibt im Laufe der Zeit hell. Zum Setzen von Alu-Ösen dient ein einfaches Presswerkzeug. Sobald sie festgedrückt sind, bleiben sie sicher und lösen sich nicht.


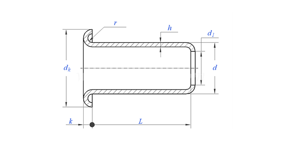
Parameter der Aluminiumösen (Spezifikation)



Material Aluminium
Oberflächenbehandlung Sauber, Verzinkung, Vernickelung, Versilberung, je nach Wunsch
Zertifikat Rohs-konform
Schaftdurchmesser 0,8–10 mm
Toleranz +/-0,05 mm
Anwendung Geeignet für den Einsatz in verschiedenen Branchen, einschließlich Stoff, Zelten, Planen usw.
Qualitätskontrolle Eine 100-prozentige Kontrolle des gesamten Sortiments während der gesamten Produktion stellt sicher, dass jedes Produkt der ISO-Norm entspricht und garantiert so qualitativ hochwertige Produkte.



Zeichnung der Aluminiumösen wie folgt:

Anwendungsshow:


Eigenschaften und Anwendung von Aluminiumösen

Aluminiumösen haben viele alltägliche Verwendungsmöglichkeiten. Man findet sie in Sneakers und leichten Stiefeln zum Schnüren. Regenjacken und Windjacken verwenden sie als Kapuzenbänder. Tragetaschen und Rucksäcke verfügen häufig über Aluminiumösen. Campingzelte und Planen können sie als Abspannleinen enthalten. Auch Sportartikel wie Fahnen und Wimpel verwenden Aluminiumösen. Auch einige Schutzhüllen und Cover setzen darauf. Diese Aluminiumösen tragen dazu bei, dass die Produkte funktionsfähig und ordentlich bleiben. Unsere Kunden entscheiden sich für unsere Aluminiumösen, weil sie leicht und rostfrei sind. Wir sind stolz darauf, hier in Dongguan langlebige Aluminiumösen herzustellen.


Aluminiumösen Produktionsdetails

Verpackungsinformationen

FAQ:

F1: Wie hoch ist Ihr MOQ für Aluminiumösen?

Die Mindestbestellmenge für Nieten beträgt 20.000 Stück.


F2: Können Sie mit unserer Zeichnung eine Maßanfertigung durchführen?

Ja, die meisten unserer Rohrnieten werden individuell nach Kundenzeichnung gefertigt.


F3: Könnten Sie kostenlose Muster der Hohlnieten zur Verfügung stellen?

Wir können kostenlose Muster für die Größe bereitstellen, die wir auf Lager haben. Die Expressgebühren werden jedoch vom Kunden getragen.


F4: Wie lange ist Ihre Lieferzeit?

Größe der Nieten auf Lager: 3–5 Tage, Nicht-Standard-Nieten: 15–25 Tage. Wir werden die Lieferung so schnell wie möglich mit der garantierten Qualität durchführen.


F5: Die Qualität Ihrer Produkte?

Das Unternehmen verfügt über fortschrittliche Produktions- und Prüfgeräte. Jedes Produkt wird vor dem Versand zu 100 % von unserer Qualitätskontrollabteilung geprüft.


F6: Warum entscheiden wir uns für Nuote Technology?

1.Wir Nuote respektieren die Kundenbedingungen, um die Privatsphäre unserer Kunden zu schützen.

2. Hohe Qualität mit attraktivem Preis

3.Schnelle Vorlaufzeit

4. Glückliches Geschäft und Ehrlichkeit gegenüber Kunden und Partnern

5. Professionelle Verkaufsanzeigen beantworten Ihre Anfrage innerhalb von 8 Stunden.

6.Nuotes Produkte und Dienstleistungen werden mit gutem Ruf in mehr als 70 Länder verkauft


Hot-Tags: Aluminiumösen, Aluminiumösen China, Hersteller von Aluminiumösen
Verwandte Kategorie
Anfrage absenden
Bitte zögern Sie nicht, Ihre Anfrage im untenstehenden Formular zu stellen. Wir werden Ihnen innerhalb von 24 Stunden antworten.
Verwandte Produkte
X
Wir verwenden Cookies, um Ihnen ein besseres Surferlebnis zu bieten, den Website-Verkehr zu analysieren und Inhalte zu personalisieren. Durch die Nutzung dieser Website stimmen Sie der Verwendung von Cookies zu. Datenschutzrichtlinie