SS-Ösen

SS-Ösen

Wir sind Nuote Metals aus Dongguan. Unsere Fabrik stellt täglich robuste Edelstahl-Ösen her. SS bedeutet Edelstahl. Diese Edelstahlösen rosten nicht so leicht. Für ihre Herstellung verwenden wir guten Edelstahl. Unsere Edelstahl-Ösen sind in verschiedenen Größen erhältlich. Einige sind klein für leichte Gegenstände. Einige sind groß für den intensiven Gebrauch. Jede SS-Öse wird von unserem Team überprüft. Sie achten auf das Finish und die Form. Viele Kunden entscheiden sich für unsere Edelstahl-Ösen. Ihnen gefällt, dass sie lange halten und glänzend bleiben. Für neue Bestellungen können wir schnell Muster anfertigen.

Anfrage absenden

Produktbeschreibung

Einführung in SS-Ösen

SS-Ösen sind Metallringe aus Edelstahl. Sie machen Löcher in Materialien stärker. Diese Edelstahl-Ösen eignen sich gut für nasse Orte. Regen oder Feuchtigkeit können ihnen nichts anhaben. Sie behalten ihre Kraft über Jahre hinweg. Zum Anbringen von Edelstahl-Ösen benötigen Sie eine Pressmaschine. Die Maschine setzt die Edelstahlöse in das Material ein. Dann sitzt es fest und bewegt sich nicht. Dadurch sind die Produkte für den harten Einsatz gerüstet.


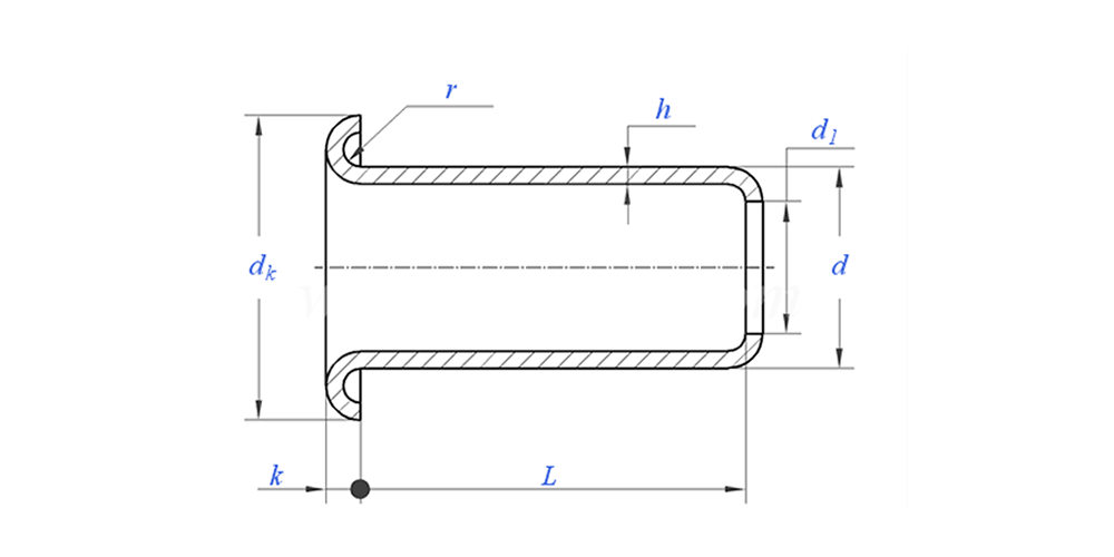
Zeichnung wie folgt:


SS-Ösenparameter (Spezifikation)


Material Edelstahl
Oberflächenbehandlung Sauber, Verzinkung, Vernickelung, Versilberung, je nach Wunsch
Zertifikat Rohs-konform
Schaftdurchmesser 0,8–10 mm
Toleranz +/-0,05 mm
Anwendung Geeignet für den Einsatz in verschiedenen Branchen, einschließlich Automobil, Luft- und Raumfahrt, Elektrik und Elektronik usw.
Qualitätskontrolle Eine 100-prozentige Kontrolle des gesamten Sortiments während der gesamten Produktion stellt sicher, dass jedes Produkt der ISO-Norm entspricht und garantiert so qualitativ hochwertige Produkte.



Merkmale und Anwendung der SS-Ösen

SS-Ösen werden in vielen Dingen verwendet. Outdoor-Ausrüstung wie Zelte verwenden SS-Ösen für Seile. Taschen und Schuhe benötigen sie für Schnürsenkel und Riemen. Küchenvorhänge haben manchmal auch Edelstahlösen. Arbeitskleidung und Uniformen sind aus Gründen der Haltbarkeit mit Edelstahl-Ösen ausgestattet. Boote und Meeresartikel benötigen Edelstahl-Ösen, da sie salzwasserbeständig sind. Sogar einige Werkzeuge und Geräte verwenden SS-Ösen. Diese Edelstahl-Ösen sorgen dafür, dass Produkte stabil und ordentlich bleiben. Unsere Kunden vertrauen bei ihren Projekten auf unsere Edelstahl-Ösen. Sie wissen, dass diese Ösen nicht rosten oder brechen. Wir sind stolz darauf, hier in Dongguan gute Edelstahl-Ösen herzustellen.


SS-Ösendetails

Informationen zur Verpackung von SS-Ösen

FAQ:

F1: Wie hoch ist Ihr MOQ für Edelstahlösen?

Die Mindestbestellmenge für Nieten beträgt 20.000 Stück.


F2: Können Sie mit unserer Zeichnung eine Maßanfertigung durchführen?

Ja, die meisten unserer Rohrnieten werden individuell nach Kundenzeichnung gefertigt.


F3: Könnten Sie kostenlose Muster der Hohlnieten zur Verfügung stellen?

Wir können kostenlose Muster für die Größe bereitstellen, die wir auf Lager haben. Die Expressgebühren werden jedoch vom Kunden getragen.


F4: Wie lange ist Ihre Lieferzeit?

Größe der Nieten auf Lager: 3–5 Tage, Nicht-Standard-Nieten: 15–25 Tage. Wir werden die Lieferung so schnell wie möglich mit der garantierten Qualität durchführen.


F5: Die Qualität Ihrer Produkte?

Das Unternehmen verfügt über fortschrittliche Produktions- und Prüfgeräte. Jedes Produkt wird vor dem Versand zu 100 % von unserer Qualitätskontrollabteilung geprüft.


F6: Warum entscheiden wir uns für Nuote Technology?

1.Wir Nuote respektieren die Kundenbedingungen, um die Privatsphäre unserer Kunden zu schützen.

2. Hohe Qualität mit attraktivem Preis

3.Schnelle Vorlaufzeit

4. Glückliches Geschäft und Ehrlichkeit gegenüber Kunden und Partnern

5. Professionelle Verkaufsanzeigen beantworten Ihre Anfrage innerhalb von 8 Stunden.

6.Nuotes Produkte und Dienstleistungen werden mit gutem Ruf in mehr als 70 Länder verkauft


Hot-Tags: SS-Ösen, Ösen-China-Fabrik, SS-Ösen-Hersteller
Verwandte Kategorie
Anfrage absenden
Bitte zögern Sie nicht, Ihre Anfrage im untenstehenden Formular zu stellen. Wir werden Ihnen innerhalb von 24 Stunden antworten.
X
Wir verwenden Cookies, um Ihnen ein besseres Surferlebnis zu bieten, den Website-Verkehr zu analysieren und Inhalte zu personalisieren. Durch die Nutzung dieser Website stimmen Sie der Verwendung von Cookies zu. Datenschutzrichtlinie