Ösen aus Edelstahl 316

Ösen aus Edelstahl 316

In unserem Werk in Dongguan stellt Nuote Metals langlebige Ösen aus Edelstahl 316 her. Das Besondere an diesem Material ist, dass es Rost sehr gut widersteht. Wir produzieren seit vielen Jahren Ösen aus Edelstahl 316. Diese Ösen sind stark und können lange halten. Wir fertigen sie in verschiedenen Größen. Einige sind für empfindliche Produkte klein. Einige sind groß für den harten Einsatz. Jede Öse aus Edelstahl 316 wird von unserem Team überprüft. Sie sorgen dafür, dass jedes Stück glatt und sauber ist. Viele Kunden entscheiden sich für unsere Ösen aus Edelstahl 316. Sie vertrauen auf Qualität und Langlebigkeit. Wir können Muster innerhalb weniger Tage bereitstellen.

Anfrage absenden

Produktbeschreibung

Einführung in Ösen aus Edelstahl 316

316 Edelstahlösen sind aus hochwertigem Stahl gefertigt. Dieser Stahl enthält Molybdän. Dadurch sind Ösen aus Edelstahl 316 korrosionsbeständiger. Sie rosten nicht in Salzwasser oder feuchter Luft. Diese Ösen sind auch unter Druck stark. Sie verbiegen oder brechen nicht so leicht. Zur Herstellung von Ösen aus Edelstahl 316 verwenden wir präzise Maschinen. Die Maschinen schneiden und formen den Stahl zu perfekten Ringen. Anschließend polieren wir jede Öse aus Edelstahl 316. Dadurch erhalten sie ein schönes Finish und glatte Kanten.


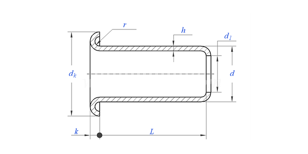
Zeichnung der Ösen aus Edelstahl 316 wie folgt:

Parameter der Ösen aus Edelstahl 316 (Spezifikation)



Material Edelstahl
Oberflächenbehandlung Sauber, Verzinkung, Vernickelung, Versilberung, je nach Wunsch
Zertifikat Rohs-konform
Schaftdurchmesser 0,8–10 mm
Toleranz +/-0,05 mm
Anwendung Geeignet für den Einsatz in verschiedenen Branchen, einschließlich Automobil, Luft- und Raumfahrt, Elektrik und Elektronik usw.
Qualitätskontrolle Eine 100-prozentige Kontrolle des gesamten Sortiments während der gesamten Produktion stellt sicher, dass jedes Produkt der ISO-Norm entspricht und garantiert so qualitativ hochwertige Produkte.


Eigenschaften und Anwendung der Ösen aus Edelstahl 316

Ösen aus Edelstahl 316 werden in rauen Umgebungen eingesetzt. Aufgrund des Salzwassers werden sie von Boots- und Schiffsausrüstungen verwendet. Außenleuchten nutzen sie bei jedem Wetter. Chemiefabriken brauchen sie manchmal wegen ihrer Widerstandsfähigkeit. Lebensmittelverarbeitungsgeräte können sie ebenfalls verwenden. Hochwertige Outdoor-Ausrüstung benötigt diese Ösen. Sogar Architekturprojekte verwenden Ösen aus Edelstahl 316 für Dekoration und Funktion. Sie werden dort eingesetzt, wo gewöhnliche Ösen rosten würden. Unsere Kunden verlassen sich bei wichtigen Anwendungen auf unsere Ösen aus Edelstahl 316. Sie wissen, dass diese Ösen jahrelang gut funktionieren und gut aussehen. Wir sind stolz darauf, hier in Dongguan solch zuverlässige Produkte herzustellen.


Details zu Ösen aus Edelstahl 316


FAQ:

F1: Wie hoch ist Ihr MOQ für Ösen aus Edelstahl 316?

Die Mindestbestellmenge für Nieten beträgt 20.000 Stück.


F2: Können Sie mit unserer Zeichnung eine Maßanfertigung durchführen?

Ja, die meisten unserer Rohrnieten werden individuell nach Kundenzeichnung gefertigt.


F3: Könnten Sie kostenlose Muster der Hohlnieten zur Verfügung stellen?

Wir können kostenlose Muster für die Größe bereitstellen, die wir auf Lager haben. Die Expressgebühren werden jedoch vom Kunden getragen.


F4: Wie lange ist Ihre Lieferzeit?

Größe der Nieten auf Lager: 3–5 Tage, Nicht-Standard-Nieten: 15–25 Tage. Wir werden die Lieferung so schnell wie möglich mit der garantierten Qualität durchführen.


F5: Die Qualität Ihrer Produkte?

Das Unternehmen verfügt über fortschrittliche Produktions- und Prüfgeräte. Jedes Produkt wird vor dem Versand zu 100 % von unserer Qualitätskontrollabteilung geprüft.


F6: Warum entscheiden wir uns für Nuote Technology?

1.Wir Nuote respektieren die Kundenbedingungen, um die Privatsphäre unserer Kunden zu schützen.

2. Hohe Qualität mit attraktivem Preis

3.Schnelle Vorlaufzeit

4. Glückliches Geschäft und Ehrlichkeit gegenüber Kunden und Partnern

5. Professionelle Verkaufsanzeigen beantworten Ihre Anfrage innerhalb von 8 Stunden.

6.Nuotes Produkte und Dienstleistungen werden mit gutem Ruf in mehr als 70 Länder verkauft

Hot-Tags: Ösen aus Edelstahl 316, Ösen aus SUS316L, Ösen aus China-Edelstahl
Verwandte Kategorie
Anfrage absenden
Bitte zögern Sie nicht, Ihre Anfrage im untenstehenden Formular zu stellen. Wir werden Ihnen innerhalb von 24 Stunden antworten.
X
Wir verwenden Cookies, um Ihnen ein besseres Surferlebnis zu bieten, den Website-Verkehr zu analysieren und Inhalte zu personalisieren. Durch die Nutzung dieser Website stimmen Sie der Verwendung von Cookies zu. Datenschutzrichtlinie