Ösen für Ölkannen

Ösen für Ölkannen

Ölkannenösen aus Edelstahl sind spezielle kleine Ringe, die in Ölkannen verwendet werden. Sie sind nach ihrer klassischen Verwendung in traditionellen Ölkannen benannt. Nuote Metals in Dongguan, China, produziert zuverlässige Ölkannenösen aus Edelstahl in verschiedenen Größen.

Anfrage absenden

Produktbeschreibung

Einführung von Oilcan-Ösen

Diese Ösen für Ölkannen sind aus einem einzigen Stück Edelstahl gefertigt. Dadurch sind sie robust und rostbeständig, was für eine dauerhafte Nutzung sehr wichtig ist. Das Design umfasst eine hohle Mitte und eine vorgeformte Nut. Durch diese Nut lassen sich die Ölkannen-Ösen ohne großen Kraftaufwand sicher und sicher in ein Blechloch einpressen. Die Installation erfolgt schnell und sorgt für eine dichte und dauerhafte Abdichtung.


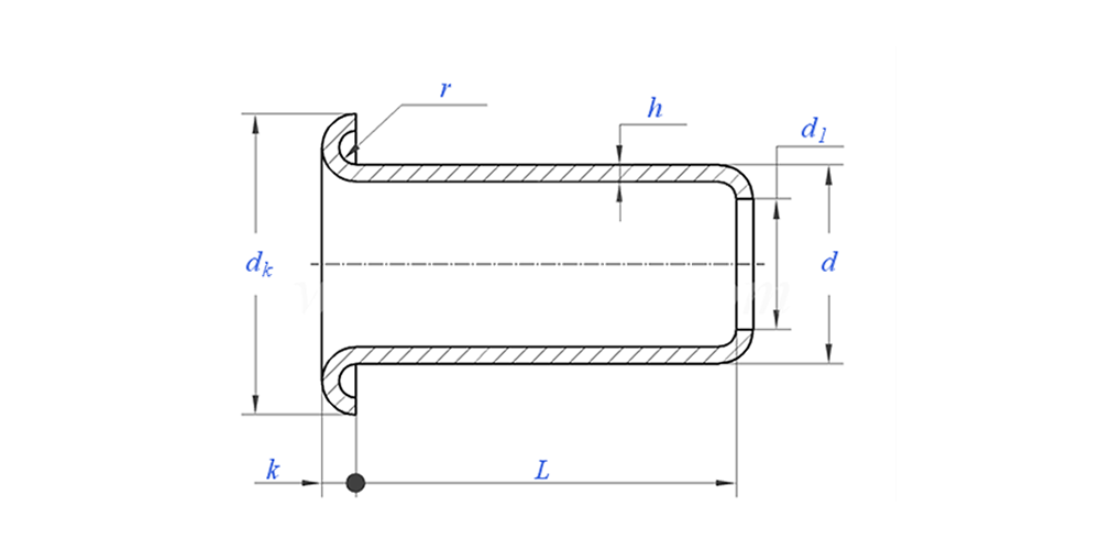
Zeichnung der Ölkannen-Ösen wie folgt:

Ölkannen-Ösen-Anwendungsshow:

Ölkanister-Ösen-Parameter (Spezifikation)


Material Edelstahl 304
Oberflächenbehandlung Sauber, Verzinkung, Vernickelung, Versilberung, je nach Wunsch
Zertifikat Rohs-konform
Schaftdurchmesser 0,8–10 mm
Toleranz +/-0,05 mm
Anwendung Geeignet für den Einsatz in verschiedenen Branchen, einschließlich Automobil, Luft- und Raumfahrt, Elektrik und Elektronik usw.
Qualitätskontrolle

Eine 100-prozentige Kontrolle des gesamten Sortiments während der gesamten Produktion stellt sicher, dass jedes Produkt der ISO-Norm entspricht und garantiert so qualitativ hochwertige Produkte.


Eigenschaften und Anwendung von Ölkannenösen

Diese Ölkannenösen finden Sie dort, wo sie am meisten benötigt werden: am Ausguss einer Ölkanne. Sie erzeugen ein glattes, verstärktes Loch, durch das das Öl fließen kann. Dieser einfache Teil macht die Verwendung der Dose einfacher und sauberer. Außerdem wird der Auslauf dadurch viel stabiler, sodass er nicht so schnell verschleißt. Ohne eine gute Ölkannenöse kann die Metallkante rau werden und Undichtigkeiten verursachen. Deshalb ist dieser kleine Teil für eine zuverlässige Ölkanne so wichtig.


Ölkannenösen Produktionsdetails

Verpackungsinformationen


FAQ:

F1: Wie hoch ist Ihr Mindestbestellwert für Ösen für Öldosen?

Die Mindestbestellmenge für Nieten beträgt 20.000 Stück.


F2: Können Sie mit unserer Zeichnung eine Maßanfertigung durchführen?

Ja, die meisten unserer Rohrnieten werden individuell nach Kundenzeichnung gefertigt.


F3: Könnten Sie kostenlose Muster der Hohlnieten zur Verfügung stellen?

Wir können kostenlose Muster für die Größe bereitstellen, die wir auf Lager haben. Die Expressgebühren werden jedoch vom Kunden getragen.


F4: Wie lange ist Ihre Lieferzeit?

Größe der Nieten auf Lager: 3–5 Tage, Nicht-Standard-Nieten: 15–25 Tage. Wir werden die Lieferung so schnell wie möglich mit der garantierten Qualität durchführen.


F5: Die Qualität Ihrer Produkte?

Das Unternehmen verfügt über fortschrittliche Produktions- und Prüfgeräte. Jedes Produkt wird vor dem Versand zu 100 % von unserer Qualitätskontrollabteilung geprüft.


F6: Warum entscheiden wir uns für Nuote Technology?

1.Wir Nuote respektieren die Kundenbedingungen, um die Privatsphäre unserer Kunden zu schützen.

2. Hohe Qualität mit attraktivem Preis

3.Schnelle Vorlaufzeit

4. Glückliches Geschäft und Ehrlichkeit gegenüber Kunden und Partnern

5. Professionelle Verkaufsanzeigen beantworten Ihre Anfrage innerhalb von 8 Stunden.

6.Nuotes Produkte und Dienstleistungen werden mit gutem Ruf in mehr als 70 Länder verkauft





Hot-Tags: Ölkannenösen, Ösen für Ölkanne, Edelstahlösen für Ölkanne
Verwandte Kategorie
Anfrage absenden
Bitte zögern Sie nicht, Ihre Anfrage im untenstehenden Formular zu stellen. Wir werden Ihnen innerhalb von 24 Stunden antworten.
X
Wir verwenden Cookies, um Ihnen ein besseres Surferlebnis zu bieten, den Website-Verkehr zu analysieren und Inhalte zu personalisieren. Durch die Nutzung dieser Website stimmen Sie der Verwendung von Cookies zu. Datenschutzrichtlinie