Rostfreie Ösen

Rostfreie Ösen

Wir sind Nuote Metals aus Dongguan, China. Unsere Fabrik stellt hochwertige rostfreie Ösen für verschiedene Branchen her. Wir produzieren seit vielen Jahren rostfreie Ösen. Wir verwenden gutes Edelstahlmaterial. Dieses Material macht unsere rostfreien Ösen stark und rostfrei. Wir fertigen rostfreie Ösen in vielen Größen. Einige sind klein für die Elektronik. Einige sind groß für Outdoor-Produkte. Jede rostfreie Öse wird von unseren Mitarbeitern geprüft. Sie schauen sich jedes Stück genau an. Viele Kunden entscheiden sich für unsere rostfreien Ösen, weil sie gut funktionieren und lange halten. Für neue Projekte können wir schnell Muster anfertigen.

Anfrage absenden

Produktbeschreibung

Einführung in rostfreie Ösen

Rostfreie Ösen sind Metallringe aus Edelstahl. Sie dienen zur Verstärkung von Löchern in Materialien. Die rostfreien Ösen schützen die Löcher vor Beschädigungen. Auch bei starkem Zug behalten sie ihre Form. Diese rostfreien Ösen rosten bei Nässe nicht. Sie bleiben jahrelang glänzend und stark. Das Einbringen von rostfreien Ösen erfordert eine spezielle Maschine. Die Maschine drückt die rostfreie Öse in das Material. Einmal installiert, bleibt es fest an Ort und Stelle. Dadurch werden Produkte besser und langlebiger.



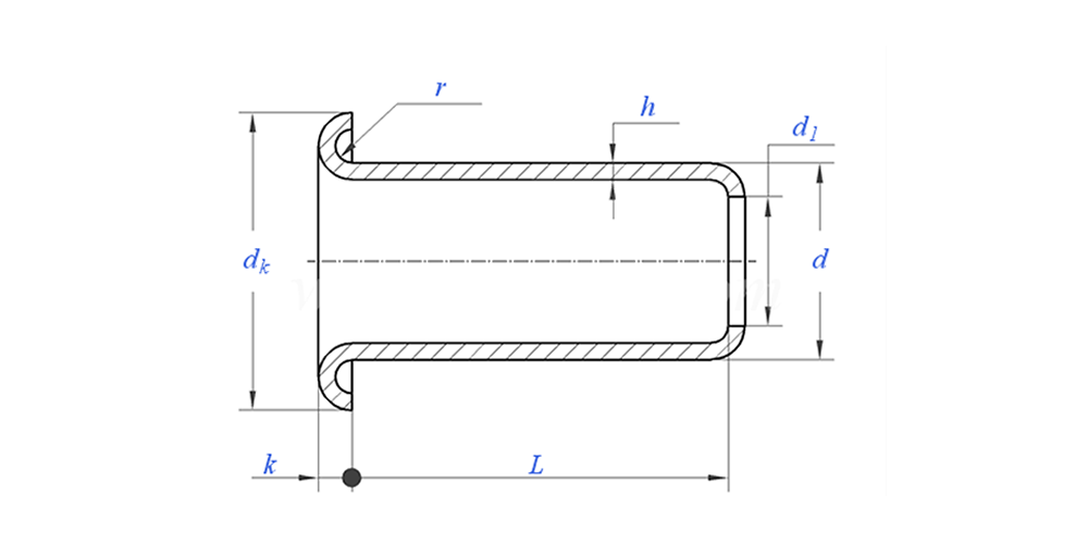
Parameter für rostfreie Ösen (Spezifikation)



Material Edelstahl
Oberflächenbehandlung Sauber, Verzinkung, Vernickelung, Versilberung, je nach Wunsch
Zertifikat Rohs-konform
Schaftdurchmesser 0,8–10 mm
Toleranz +/-0,05 mm
Anwendung Geeignet für den Einsatz in verschiedenen Branchen, einschließlich Automobil, Luft- und Raumfahrt, Elektrik und Elektronik usw.
Qualitätskontrolle Eine 100-prozentige Kontrolle des gesamten Sortiments während der gesamten Produktion stellt sicher, dass jedes Produkt der ISO-Norm entspricht und garantiert so qualitativ hochwertige Produkte.


Zeichnung der rostfreien Ösen wie folgt:

Anwendungsshow:


Eigenschaften und Anwendung von rostfreien Ösen

Edelstahlösen haben viele Verwendungsmöglichkeiten. Schuhe und Stiefel benötigen rostfreie Ösen für Schnürsenkel. Outdoor-Ausrüstung verwendet rostfreie Ösen für Seile und Schnüre. Taschen und Gepäckstücke benötigen rostfreie Ösen für Gurte. Zelte und Planen benötigen rostfreie Ösen zum Festzurren. In der Elektronik werden manchmal kleine rostfreie Ösen für Drähte verwendet. Schiffsausrüstung benötigt rostfreie Ösen, da diese salzwasserbeständig sind. Diese rostfreien Ösen machen Produkte zuverlässig und langlebig. Unsere Kunden vertrauen bei ihren wichtigen Produkten auf unsere rostfreien Ösen. Sie wissen, dass unsere rostfreien Ösen unter allen Bedingungen gut funktionieren.


Verpackungsinformationen

Produktionsdetails für rostfreie Ösen


FAQ:

F1: Wie hoch ist Ihr MOQ für rostfreie Ösen?

Die Mindestbestellmenge für Nieten beträgt 20.000 Stück.


F2: Können Sie mit unserer Zeichnung eine Maßanfertigung durchführen?

Ja, die meisten unserer Rohrnieten werden individuell nach Kundenzeichnung gefertigt.


F3: Könnten Sie kostenlose Muster der Hohlnieten zur Verfügung stellen?

Wir können kostenlose Muster für die Größe bereitstellen, die wir auf Lager haben. Die Expressgebühren werden jedoch vom Kunden getragen.


F4: Wie lange ist Ihre Lieferzeit?

Größe der Nieten auf Lager: 3–5 Tage, Nicht-Standard-Nieten: 15–25 Tage. Wir werden die Lieferung so schnell wie möglich mit der garantierten Qualität durchführen.


F5: Die Qualität Ihrer Produkte?

Das Unternehmen verfügt über fortschrittliche Produktions- und Prüfgeräte. Jedes Produkt wird vor dem Versand zu 100 % von unserer Qualitätskontrollabteilung geprüft.


F6: Warum entscheiden wir uns für Nuote Technology?

1.Wir Nuote respektieren die Kundenbedingungen, um die Privatsphäre unserer Kunden zu schützen.

2. Hohe Qualität mit attraktivem Preis

3.Schnelle Vorlaufzeit

4. Glückliches Geschäft und Ehrlichkeit gegenüber Kunden und Partnern

5. Professionelle Verkaufsanzeigen beantworten Ihre Anfrage innerhalb von 8 Stunden.

6.Nuotes Produkte und Dienstleistungen werden mit gutem Ruf in mehr als 70 Länder verkauft


Hot-Tags: Rostfreie Ösen, Hersteller von rostfreien Ösen, China rostfreie Ösen
Verwandte Kategorie
Anfrage absenden
Bitte zögern Sie nicht, Ihre Anfrage im untenstehenden Formular zu stellen. Wir werden Ihnen innerhalb von 24 Stunden antworten.
X
Wir verwenden Cookies, um Ihnen ein besseres Surferlebnis zu bieten, den Website-Verkehr zu analysieren und Inhalte zu personalisieren. Durch die Nutzung dieser Website stimmen Sie der Verwendung von Cookies zu. Datenschutzrichtlinie