Messingösen
  • Messingösen Messingösen

Messingösen

Nuote Metals stellt seit mehr als 10 Jahren Messingösen her, wir haben unseren Sitz in Dongguan, China. Messingösen bestehen aus Messingmaterial, wodurch sie robust, leicht und langlebig genug sind, um regelmäßiger Abnutzung standzuhalten, ohne überhaupt zu rosten. Für eine schnelle Mustervorbereitung können wir innerhalb von 10 Tagen ein neues Werkzeug für Ösen herstellen.

Anfrage absenden

Produktbeschreibung

Einführung von Messingösen


Messingösen sind korrosionsbeständig. Sie können zu dekorativen und funktionalen Zwecken verwendet werden, um je nach Einsatzort eine optische Aufwertung zu erzielen. Die Hauptaufgabe von Messingösen besteht darin, Löcher zu verstärken und Materialien vor Abnutzung durch die rauen Kanten dieser Löcher zu schützen.


Messingösen


brass eyelets

Anwendungsbeispiel für Messingösen:



brass eyelets

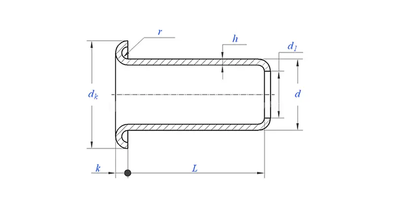
Produktparameter (Spezifikation)


Material

Messing

Oberflächenbehandlung

Sauber, Verzinkung, Vernickelung, Versilberung, je nach Wunsch

Zertifikat

Rohs-konform

Schaftdurchmesser

0,8–10 mm

Toleranz

+/-0,05 mm

Anwendung

 Geeignet für den Einsatz in verschiedenen Branchen, darunterAutomobil, Luft- und Raumfahrt, Elektrik und Elektronik usw.

Qualitätskontrolle

Eine 100-prozentige Kontrolle des gesamten Sortiments während der gesamten Produktion stellt sicher, dass jedes Produkt der ISO-Norm entspricht und garantiert so qualitativ hochwertige Produkte.



Produkteigenschaften und Anwendung


Messingösen sind einfach zu verwenden, haben ein solides Design und bestehen aus hochwertigem Messingmaterial. Aufgrund ihres geringen Gewichts sind sie viel günstiger als andere Befestigungselemente. Messing bietet eine stärkere Korrosionsbeständigkeit, Haltbarkeit, Formbarkeit und Ästhetik als reines Kupfer. Messingösen werden häufig in Textilien, Blechen und verschiedenen Fasermaterialien verwendet.


Messingösen Produktionsdetails


brass eyelets

Verpackungsinformationen


brass eyelets


FAQ:


F1: Wie hoch ist Ihr MOQ für Messingösen?

Die Mindestbestellmenge für Nieten beträgt 20.000 Stück.


F2: Können Sie mit unserer Zeichnung eine Maßanfertigung durchführen?

Ja, die meisten unserer Rohrnieten werden individuell nach Kundenzeichnung gefertigt.


F3: Könnten Sie kostenlose Muster der Hohlnieten zur Verfügung stellen?

Wir können kostenlose Muster für die Größe bereitstellen, die wir auf Lager haben. Die Expressgebühren werden jedoch vom Kunden getragen.


F4: Wie lange ist Ihre Lieferzeit?

Größe der Nieten auf Lager: 3–5 Tage, Nicht-Standard-Nieten: 15–25 Tage. Wir werden die Lieferung so schnell wie möglich mit der garantierten Qualität durchführen.


F5: Die Qualität Ihrer Produkte?

Das Unternehmen verfügt über fortschrittliche Produktions- und Prüfgeräte. Jedes Produkt wird vor dem Versand zu 100 % von unserer Qualitätskontrollabteilung geprüft.


F6: Warum entscheiden wir uns für Nuote Technology?

1.Wir Nuote respektieren die Kundenbedingungen, um die Privatsphäre unserer Kunden zu schützen.

2.Hohe Qualität mit attraktivem Preis

3.Schnelle Vorlaufzeit

4. Glückliches Geschäft und Ehrlichkeit gegenüber Kunden und Partnern

5. Professionelle Verkaufsanzeigen beantworten Ihre Anfrage innerhalb von 8 Stunden.

6.Nuotes Produkte und Dienstleistungen werden mit gutem Ruf in mehr als 70 Länder verkauft




Hot-Tags: Messingösen
Verwandte Kategorie
Anfrage absenden
Bitte zögern Sie nicht, Ihre Anfrage im untenstehenden Formular zu stellen. Wir werden Ihnen innerhalb von 24 Stunden antworten.
X
Wir verwenden Cookies, um Ihnen ein besseres Surferlebnis zu bieten, den Website-Verkehr zu analysieren und Inhalte zu personalisieren. Durch die Nutzung dieser Website stimmen Sie der Verwendung von Cookies zu. Datenschutzrichtlinie