Kupferösen
  • Kupferösen Kupferösen

Kupferösen

Kupferösen bestehen zu 100 % aus reinem Kupfer, um eine starke Leitfähigkeit zu gewährleisten. Nuote Metals stellt seit mehr als 10 Jahren Kupferösen in China her. Der Kopftyp kann flach, gewellt oder versenkt sein. Alle Größen können nach Kundenzeichnung maßgeschneidert werden.

Anfrage absenden

Produktbeschreibung

Einführung von Kupferösen


Ösen werden verwendet, um kleine, verstärkte Löcher in Materialien zu erzeugen, die diese stärker und widerstandsfähiger gegen Verformung oder Ausfransen machen. Diese Löcher dienen zur Aufnahme von Schnüren oder Schlaufen, die durch sie geführt werden können, und bieten so zusätzlichen Halt und Haltbarkeit. Kupferösen bestehen aus hochwertigem Kupfer, sind robust und langlebig und beständig gegen Rost und Verformung.


Kupferösen


Copper Eyelets


Anwendungsbeispiel für Metallösen:


Copper Eyelets



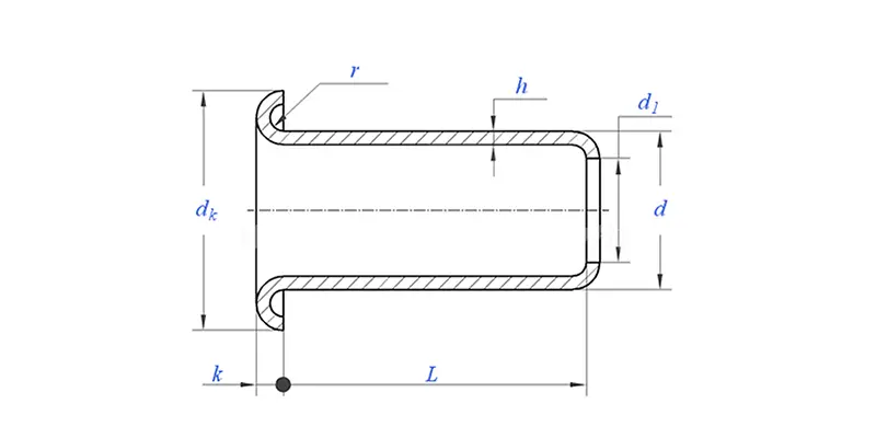
Produktparameter (Spezifikation)


Material

Kupfer

Oberflächenbehandlung

Sauber, Verzinkung, Vernickelung, Versilberung, je nach Wunsch

Zertifikat

Rohs-konform

Schaftdurchmesser

0,8–10 mm

Toleranz

+/-0,05 mm

Anwendung

 Geeignet für den Einsatz in verschiedenen Branchen, darunterAutomobil, Luft- und Raumfahrt, Elektrik und Elektronik usw.

Qualitätskontrolle

Eine 100-prozentige Kontrolle des gesamten Sortiments während der gesamten Produktion stellt sicher, dass jedes Produkt der ISO-Norm entspricht und garantiert so qualitativ hochwertige Produkte.



Produkteigenschaften und Anwendung


Kupferösen können einfach angebracht werden. Mit einem Hammer ein kleines Loch in das Blech stanzen, die Öse in das Loch stecken und mit einem Handstanzer oder einer automatischen Nietmaschine vernieten. Kupferösen werden in der Regel zum Reparieren plattierter Löcher in Leiterplatten und auch zur Schaffung eines leitenden Pfades durch Leiterplatten für verschiedene Anwendungen verwendet.


Kupferösen Produktionsdetails


Copper Eyelets


Verpackungsinformationen


Copper Eyelets


FAQ:


F1: Wie hoch ist Ihr MOQ für Kupferösen?

Die Mindestbestellmenge für Nieten beträgt 20.000 Stück.


F2: Können Sie mit unserer Zeichnung eine Maßanfertigung durchführen?

Ja, die meisten unserer Rohrnieten werden individuell nach Kundenzeichnung gefertigt.


F3: Könnten Sie kostenlose Muster der Hohlnieten zur Verfügung stellen?

Wir können kostenlose Muster für die Größe bereitstellen, die wir auf Lager haben. Die Expressgebühren werden jedoch vom Kunden getragen.


F4: Wie lange ist Ihre Lieferzeit?

Größe der Nieten auf Lager: 3–5 Tage, Nicht-Standard-Nieten: 15–25 Tage. Wir werden die Lieferung so schnell wie möglich mit der garantierten Qualität durchführen.


F5: Die Qualität Ihrer Produkte?

Das Unternehmen verfügt über fortschrittliche Produktions- und Prüfgeräte. Jedes Produkt wird vor dem Versand zu 100 % von unserer Qualitätskontrollabteilung geprüft.


F6: Warum entscheiden wir uns für Nuote Technology?

1.Wir Nuote respektieren die Kundenbedingungen, um die Privatsphäre unserer Kunden zu schützen.

2.Hohe Qualität mit attraktivem Preis

3.Schnelle Vorlaufzeit

4. Glückliches Geschäft und Ehrlichkeit gegenüber Kunden und Partnern

5. Professionelle Verkaufsanzeigen beantworten Ihre Anfrage innerhalb von 8 Stunden.

6.Nuotes Produkte und Dienstleistungen werden mit gutem Ruf in mehr als 70 Länder verkauft





Hot-Tags: Kupferösen
Verwandte Kategorie
Anfrage absenden
Bitte zögern Sie nicht, Ihre Anfrage im untenstehenden Formular zu stellen. Wir werden Ihnen innerhalb von 24 Stunden antworten.
Verwandte Produkte
X
Wir verwenden Cookies, um Ihnen ein besseres Surferlebnis zu bieten, den Website-Verkehr zu analysieren und Inhalte zu personalisieren. Durch die Nutzung dieser Website stimmen Sie der Verwendung von Cookies zu. Datenschutzrichtlinie