Stahltülle

Stahltülle

Hallo aus Dongguan, China. Wir sind Nuote Metals. Wir stellen hier starke Stahltüllen her. Unsere Fabrik produziert täglich Stahltüllen. Wir verwenden gutes Stahlmaterial. Dieser Stahl ist dick und langlebig. Wir fertigen Stahltüllen in vielen Größen. Einige sind klein. Einige sind sehr groß. Jede Stahltülle wird von unserem Team überprüft. Sie schauen sich jedes Stück genau an. Viele Kunden kaufen unsere Stahltüllen immer wieder. Sie mögen unsere Qualität. Sie vertrauen unseren Produkten. Wir arbeiten hart daran, für jeden gute Stahltüllen herzustellen.

Anfrage absenden

Produktbeschreibung

Einführung in Stahltüllen

Eine Stahltülle ist ein einfacher Metallring. Es passt in Löcher in Stoff oder Leder. Die Stahltülle macht das Loch stabil. Wenn man ein Seil hindurchführt, reißt das Loch nicht. Stahltüllen eignen sich gut für den Außenbereich. Sie rosten nicht so leicht. Regen und Sonne schaden ihnen kaum. Um eine Stahltülle einzubauen, benötigen Sie eine Maschine. Die Maschine drückt die Stahltülle in das Material. Dann bleibt es lange dort. Es löst sich nicht. So tragen Stahltüllen dazu bei, dass die Dinge lange halten.



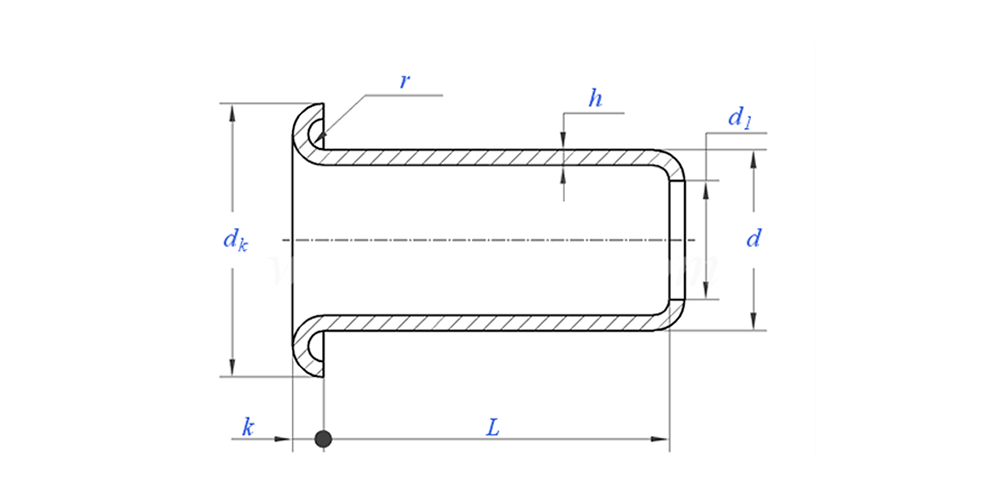
Parameter der Stahltülle (Spezifikation)



Material Stahl
Oberflächenbehandlung Sauber, Verzinkung, Vernickelung, Versilberung, je nach Wunsch
Zertifikat Rohs-konform
Schaftdurchmesser 0,8–10 mm
Toleranz +/-0,05 mm
Anwendung Geeignet für den Einsatz in verschiedenen Branchen, einschließlich Automobil, Luft- und Raumfahrt, Elektrik und Elektronik usw.
Qualitätskontrolle Eine 100-prozentige Kontrolle des gesamten Sortiments während der gesamten Produktion stellt sicher, dass jedes Produkt der ISO-Norm entspricht und garantiert so qualitativ hochwertige Produkte.




Zeichnung der Stahltülle wie folgt:


Funktion und Anwendung der Stahltülle

Stahltüllen werden vielerorts verwendet. LKW-Abdeckungen verwenden Stahlösen zum Festbinden. Zelte benötigen Stahlösen für ihre Seile. Taschen haben Stahlösen für ihre Griffe. Einige Schuhe verwenden Stahlösen als Schnürsenkel. Auch Arbeitskleidung hat Ösen aus Stahl. Für Außenschilder werden häufig Stahlösen zum Aufhängen verwendet. Sogar Boote verwenden Stahlösen für ihre Abdeckungen. Stahltüllen sind überall. Sie helfen, die Dinge zusammenzuhalten. und die Dinge stark und sicher machen. Unsere Kunden entscheiden sich für unsere Stahltüllen, weil sie gut funktionieren. Sie wissen, dass unsere Stahltüllen sie nicht im Stich lassen werden. Wir sind stolz darauf, hier in Dongguan solch nützliche Produkte herzustellen.


Details zur Stahltülle

Informationen zur Verpackung von Stahltüllen

FAQ:

F1: Wie hoch ist Ihr MOQ für Stahltüllen?

Die Mindestbestellmenge für Nieten beträgt 20.000 Stück.


F2: Können Sie mit unserer Zeichnung eine Maßanfertigung durchführen?

Ja, die meisten unserer Rohrnieten werden individuell nach Kundenzeichnung gefertigt.


F3: Könnten Sie kostenlose Muster der Hohlnieten zur Verfügung stellen?

Wir können kostenlose Muster für die Größe bereitstellen, die wir auf Lager haben. Die Expressgebühren werden jedoch vom Kunden getragen.


F4: Wie lange ist Ihre Lieferzeit?

Größe der Nieten auf Lager: 3–5 Tage, Nicht-Standard-Nieten: 15–25 Tage. Wir werden die Lieferung so schnell wie möglich mit der garantierten Qualität durchführen.


F5: Die Qualität Ihrer Produkte?

Das Unternehmen verfügt über fortschrittliche Produktions- und Prüfgeräte. Jedes Produkt wird vor dem Versand zu 100 % von unserer Qualitätskontrollabteilung geprüft.


F6: Warum entscheiden wir uns für Nuote Technology?

1.Wir Nuote respektieren die Kundenbedingungen, um die Privatsphäre unserer Kunden zu schützen.

2. Hohe Qualität mit attraktivem Preis

3.Schnelle Vorlaufzeit

4. Glückliches Geschäft und Ehrlichkeit gegenüber Kunden und Partnern

5. Professionelle Verkaufsanzeigen beantworten Ihre Anfrage innerhalb von 8 Stunden.

6.Nuotes Produkte und Dienstleistungen werden mit gutem Ruf in mehr als 70 Länder verkauft

Hot-Tags: Stahltülle, China Stahltülle, Stahltülle Hersteller
Verwandte Kategorie
Anfrage absenden
Bitte zögern Sie nicht, Ihre Anfrage im untenstehenden Formular zu stellen. Wir werden Ihnen innerhalb von 24 Stunden antworten.
X
Wir verwenden Cookies, um Ihnen ein besseres Surferlebnis zu bieten, den Website-Verkehr zu analysieren und Inhalte zu personalisieren. Durch die Nutzung dieser Website stimmen Sie der Verwendung von Cookies zu. Datenschutzrichtlinie