Ösen für Leiterplatte
  • Ösen für Leiterplatte Ösen für Leiterplatte

Ösen für Leiterplatte

Ösen für Leiterplatten verfügen über eine haltbare, zylindrische Form, die gestanzte Löcher in einer Vielzahl von Materialien verstärkt, ein Ausfransen verhindert und saubere, fertige Kanten bietet. Nuote Metals ist seit mehr als 10 Jahren ein Hersteller von PCB-Ösen in China. Wir haben viele Größen auf Lager.

Anfrage absenden

Produktbeschreibung

Einführung von Ösen für Leiterplatten


Die gebräuchlichste Ösenform ist die Standard-Rundöse, die aufgrund ihres einfachen und effektiven Designs weit verbreitet ist. PCB-Ösen liegen normalerweise flach auf dem Kopf.


Ösen für Leiterplatte


eyelets for PCB


Anwendungsbeispiel für Metallösen:


eyelets for PCB



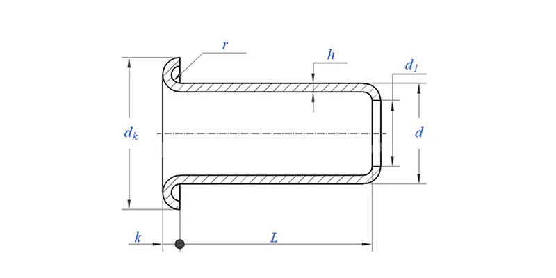
Produktparameter (Spezifikation)


Material

Messing, Stahl, Kupfer, Edelstahl

Oberflächenbehandlung

Sauber, Verzinkung, Vernickelung, Versilberung, je nach Wunsch

Zertifikat

Rohs-konform

Schaftdurchmesser

0,8–10 mm

Toleranz

+/-0,05 mm

Anwendung

 Geeignet für den Einsatz in verschiedenen Branchen, darunterAutomobil, Luft- und Raumfahrt, Elektrik und Elektronik usw.

Qualitätskontrolle

Eine 100-prozentige Kontrolle des gesamten Sortiments während der gesamten Produktion stellt sicher, dass jedes Produkt der ISO-Norm entspricht und garantiert so qualitativ hochwertige Produkte.


Produkteigenschaften und Anwendung


PCB-Ösen gehören zu den am häufigsten verwendeten und werden durch das Stanzen eines Lochs durch den oberen Teil einer Leiterplatte hergestellt.


Ösen für PCB-Produktionsdetails


eyelets for PCB


Verpackungsinformationen


eyelets for PCB


FAQ:


F1: Wie hoch ist Ihr MOQ für Ösen für Leiterplatten?

Die Mindestbestellmenge für Nieten beträgt 20.000 Stück.


F2: Können Sie mit unserer Zeichnung eine Maßanfertigung durchführen?

Ja, die meisten unserer PCB-Ösen werden nach Kundenzeichnung maßgeschneidert.


F3: Könnten Sie kostenlose Muster der Hohlnieten zur Verfügung stellen?

Wir können kostenlose Muster für die Größe bereitstellen, die wir auf Lager haben. Die Expressgebühren werden jedoch vom Kunden getragen.


F4: Wie lange ist Ihre Lieferzeit?

Größe der Nieten auf Lager: 3–5 Tage, Nicht-Standard-Nieten: 15–25 Tage. Wir werden die Lieferung so schnell wie möglich mit der garantierten Qualität durchführen.


F5: Die Qualität Ihrer Produkte?

Das Unternehmen verfügt über fortschrittliche Produktions- und Prüfgeräte. Jedes Produkt wird vor dem Versand zu 100 % von unserer Qualitätskontrollabteilung geprüft.


F6: Warum entscheiden wir uns für Nuote Technology?

1.Wir Nuote respektieren die Kundenbedingungen, um die Privatsphäre unserer Kunden zu schützen.

2.Hohe Qualität mit attraktivem Preis

3.Schnelle Vorlaufzeit

4. Glückliches Geschäft und Ehrlichkeit gegenüber Kunden und Partnern

5. Professionelle Verkaufsanzeigen beantworten Ihre Anfrage innerhalb von 8 Stunden.

6.Nuotes Produkte und Dienstleistungen werden mit gutem Ruf in mehr als 70 Länder verkauft


Hot-Tags: Ösen für Leiterplatte
Verwandte Kategorie
Anfrage absenden
Bitte zögern Sie nicht, Ihre Anfrage im untenstehenden Formular zu stellen. Wir werden Ihnen innerhalb von 24 Stunden antworten.
X
Wir verwenden Cookies, um Ihnen ein besseres Surferlebnis zu bieten, den Website-Verkehr zu analysieren und Inhalte zu personalisieren. Durch die Nutzung dieser Website stimmen Sie der Verwendung von Cookies zu. Datenschutzrichtlinie