Hohlnieten
  • Hohlnieten Hohlnieten

Hohlnieten

Hohlnieten, auch Ösennieten genannt, bestehen normalerweise aus Messing, Stahl, Kupfer, Edelstahl, Aluminium usw. und können mit Zinn, Nickel, Zink usw. beschichtet werden. Nuote Metals produziert seit mehr als 10 Jahren Hohlnieten in China. Wir haben viele verschiedene Größen auf Lager. Senden Sie uns gerne eine Anfrage mit einer maßgeschneiderten Zeichnung.

Anfrage absenden

Produktbeschreibung

Einführung von Hohlnieten


Nieten und Ösen sind industrielle Verbindungselemente, die zum Verbinden von zwei oder mehr Materialien verwendet werden. Sie unterscheiden sich jedoch in ihrer strukturellen Integrität und Funktion. Ösennieten – eine Art Hohlring oder Rohr – sind für weniger dauerhafte, oft dekorative oder semipermanente Befestigungen konzipiert.


Hohlnieten


hollow rivets


Hohlnieten-Anwendungsshow:


hollow rivets



Produktparameter (Spezifikation)


Material

Messing

Oberflächenbehandlung

Sauber, Verzinkung, Vernickelung, Versilberung, je nach Wunsch

Zertifikat

Rohs-konform

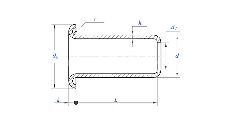
Schaftdurchmesser

0,8–10 mm

Toleranz

+/-0,05 mm

Anwendung

 Geeignet für den Einsatz in verschiedenen Branchen, darunterAutomobil, Luft- und Raumfahrt, Elektrik und Elektronik usw.

Qualitätskontrolle

Eine 100-prozentige Kontrolle des gesamten Sortiments während der gesamten Produktion stellt sicher, dass jedes Produkt der ISO-Norm entspricht und garantiert so qualitativ hochwertige Produkte.


Produkteigenschaften und Anwendung


Zu den Materialien für Ösennieten gehören Aluminium, Messing oder Stahl, die jeweils spezifische Vorteile hinsichtlich Korrosionsbeständigkeit, Festigkeit und Kosten bieten. Hohlnieten werden in ein vorgestanztes Loch gequetscht, um das Material zu verstärken und eine fertige Kante zu schaffen. Sie werden häufig in Textilien, Lederwaren, Schreibwaren, Planen, Fenstervorhängen und beim Basteln verwendet.


Hohlnieten Produktionsdetails


hollow rivets


Verpackungsinformationen


hollow rivets


FAQ:


F1: Wie hoch ist Ihr MOQ für Hohlnieten?

Die Mindestbestellmenge für Nieten beträgt 20.000 Stück.


F2: Können Sie mit unserer Zeichnung eine Maßanfertigung durchführen?

Ja, die meisten unserer Rohrnieten werden individuell nach Kundenzeichnung gefertigt.


F3: Könnten Sie kostenlose Muster der Hohlnieten zur Verfügung stellen?

Wir können kostenlose Muster für die Größe bereitstellen, die wir auf Lager haben. Die Expressgebühren werden jedoch vom Kunden getragen.


F4: Wie lange ist Ihre Lieferzeit?

Größe der Nieten auf Lager: 3–5 Tage, Nicht-Standard-Nieten: 15–25 Tage. Wir werden die Lieferung so schnell wie möglich mit der garantierten Qualität durchführen.


F5: Die Qualität Ihrer Produkte?

Das Unternehmen verfügt über fortschrittliche Produktions- und Prüfgeräte. Jedes Produkt wird vor dem Versand zu 100 % von unserer Qualitätskontrollabteilung geprüft.


F6: Warum entscheiden wir uns für Nuote Technology?

1.Wir Nuote respektieren die Kundenbedingungen, um die Privatsphäre unserer Kunden zu schützen.

2.Hohe Qualität mit attraktivem Preis

3.Schnelle Vorlaufzeit

4. Glückliches Geschäft und Ehrlichkeit gegenüber Kunden und Partnern

5. Professionelle Verkaufsanzeigen beantworten Ihre Anfrage innerhalb von 8 Stunden.

6. Die Produkte und Dienstleistungen von Nuote werden in mehr als 70 Ländern mit guter Qualität verkauft


Hot-Tags: Hohlnieten
Verwandte Kategorie
Anfrage absenden
Bitte zögern Sie nicht, Ihre Anfrage im untenstehenden Formular zu stellen. Wir werden Ihnen innerhalb von 24 Stunden antworten.
X
Wir verwenden Cookies, um Ihnen ein besseres Surferlebnis zu bieten, den Website-Verkehr zu analysieren und Inhalte zu personalisieren. Durch die Nutzung dieser Website stimmen Sie der Verwendung von Cookies zu. Datenschutzrichtlinie