Vorhangösen sind sowohl auf Aussehen als auch auf Funktion ausgelegt. Sie haben eine glatte Innenfläche, die ein einfaches Durchführen der Gardinenstange ermöglicht. Dadurch ist das Öffnen und Schließen der Vorhänge sehr einfach. Die Ösen sind außerdem so konzipiert, dass sie ihre Form gut behalten und verhindern, dass sie sich mit der Zeit verbiegen. Diese Stärke ist ein wesentliches Merkmal hochwertiger Gardinenösen.
| Material | Messing, Stahl, Aluminium, Edelstahl, Kupfer |
| Oberflächenbehandlung | Sauber, Verzinkung, Vernickelung, Versilberung, je nach Wunsch |
| Zertifikat | Rohs-konform |
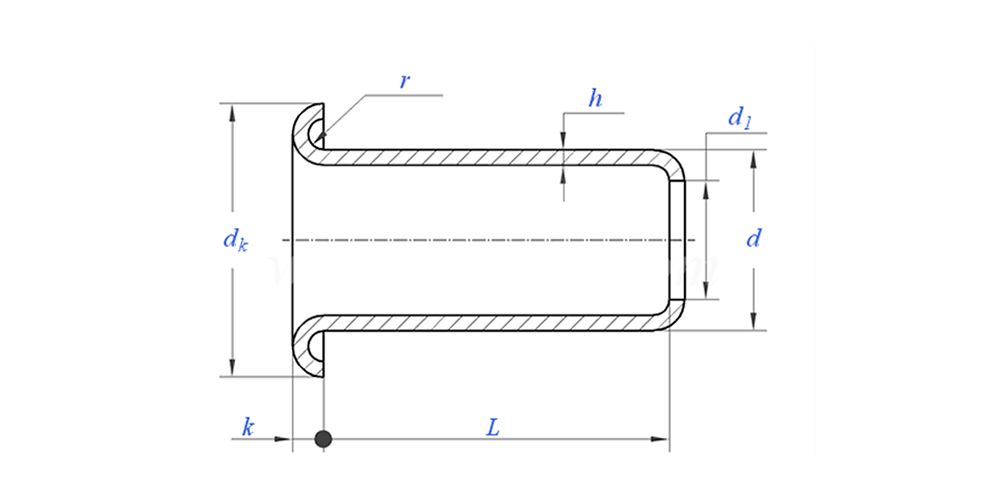
| Schaftdurchmesser | 0,8–10 mm |
| Toleranz | +/-0,05 mm |
| Anwendung | Geeignet für den Einsatz in verschiedenen Branchen, einschließlich Automobil, Luft- und Raumfahrt, Elektrik und Elektronik usw. |
| Qualitätskontrolle | Eine 100-prozentige Kontrolle des gesamten Sortiments während der gesamten Produktion stellt sicher, dass jedes Produkt der ISO-Norm entspricht und garantiert so qualitativ hochwertige Produkte. |
Der Haupteinsatzbereich für Gardinenösen liegt natürlich im Aufhängen von Gardinen. Sie erzeugen tiefe und elegante Falten im Stoff und verleihen jedem Raum ein sehr modernes Aussehen. Da die Gardinenösen so sanft auf der Stange gleiten, ist das Öffnen und Schließen der Vorhänge mit nur geringem Kraftaufwand möglich. Dieses einfache System macht Vorhangösen heute für viele Menschen zu einer beliebten und praktischen Wahl.

F1: Wie hoch ist Ihr MOQ für Vorhangösen?
Die Mindestbestellmenge für Nieten beträgt 20.000 Stück.
F2: Können Sie mit unserer Zeichnung eine Maßanfertigung durchführen?
Ja, die meisten unserer Rohrnieten werden individuell nach Kundenzeichnung gefertigt.
F3: Könnten Sie kostenlose Muster der Hohlnieten zur Verfügung stellen?
Wir können kostenlose Muster für die Größe bereitstellen, die wir auf Lager haben. Die Expressgebühren werden jedoch vom Kunden getragen.
F4: Wie lange ist Ihre Lieferzeit?
Größe der Nieten auf Lager: 3–5 Tage, Nicht-Standard-Nieten: 15–25 Tage. Wir werden die Lieferung so schnell wie möglich mit der garantierten Qualität durchführen.
F5: Die Qualität Ihrer Produkte?
Das Unternehmen verfügt über fortschrittliche Produktions- und Prüfgeräte. Jedes Produkt wird vor dem Versand zu 100 % von unserer Qualitätskontrollabteilung geprüft.
F6: Warum entscheiden wir uns für Nuote Technology?
1.Wir Nuote respektieren die Kundenbedingungen, um die Privatsphäre unserer Kunden zu schützen.
2. Hohe Qualität mit attraktivem Preis
3.Schnelle Vorlaufzeit
4. Glückliches Geschäft und Ehrlichkeit gegenüber Kunden und Partnern
5. Professionelle Verkaufsanzeigen beantworten Ihre Anfrage innerhalb von 8 Stunden.
6.Nuotes Produkte und Dienstleistungen werden mit gutem Ruf in mehr als 70 Länder verkauft