Ösenniete

Ösenniete

Eine Ösenniete ist ein kleines, aber nützliches Befestigungselement. Es hat die Form eines kurzen Rohrs und besteht oft aus Messing oder Stahl. Bei der Installation wird das Ende der Niete aufgeweitet, um die Materialien sicher miteinander zu verbinden. Viele Unternehmen auf der ganzen Welt produzieren diese zuverlässigen Komponenten. Nuote Metals mit Sitz in Dongguan, China, ist ein bekannter Hersteller hochwertiger Ösennieten.

Anfrage absenden

Produktbeschreibung

Einführung der Ösenniete

Eine Ösenniete funktioniert, indem sie eine starke, dauerhafte Verbindung zwischen den Materialien herstellt. Im Gegensatz zu einer Vollniete hat sie eine hohle Mitte. Dieses Loch macht die Ösenniete leicht. Es können auch Drähte oder kleine Kabel durchgelassen werden. Das Anbringen einer Ösenniete geht schnell und einfach. Deshalb nutzen so viele Fabriken es gerne.


Ösennietparameter (Spezifikation)

Material Messing, Stahl, Aluminium, Edelstahl, Kupfer
Oberflächenbehandlung Sauber, Verzinkung, Vernickelung, Versilberung, je nach Wunsch
Zertifikat Rohs-konform
Schaftdurchmesser 0,8–10 mm
Toleranz +/-0,05 mm
Anwendung Geeignet für den Einsatz in verschiedenen Branchen, einschließlich Automobil, Luft- und Raumfahrt, Elektrik und Elektronik usw.
Qualitätskontrolle Eine 100-prozentige Kontrolle des gesamten Sortiments während der gesamten Produktion stellt sicher, dass jedes Produkt der ISO-Norm entspricht und garantiert so qualitativ hochwertige Produkte.



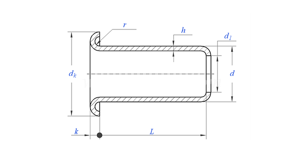
Ösennietzeichnung wie folgt:


Funktion und Anwendung von Ösennieten

Ösennieten findet man in vielen alltäglichen Dingen. Es wird in Schuhen für die Schnürsenkel und in Taschen für die Riemen verwendet. Dieser kleine Teil ist auch in der Elektronik und im Auto sehr wichtig. Es hält verschiedene Materialien fest zusammen. Der Ösenniet ist eine einfache, aber zuverlässige Lösung für viele Montageanforderungen.


Produktionsdetails für Ösennieten

Verpackungsinformationen

FAQ:

F1: Wie hoch ist Ihr MOQ für Ösennieten?

Die Mindestbestellmenge für Nieten beträgt 20.000 Stück.


F2: Können Sie mit unserer Zeichnung eine Maßanfertigung durchführen?

Ja, die meisten unserer Rohrnieten werden individuell nach Kundenzeichnung gefertigt.


F3: Könnten Sie kostenlose Muster der Hohlnieten zur Verfügung stellen?

Wir können kostenlose Muster für die Größe bereitstellen, die wir auf Lager haben. Die Expressgebühren werden jedoch vom Kunden getragen.


F4: Wie lange ist Ihre Lieferzeit?

Größe der Nieten auf Lager: 3–5 Tage, Nicht-Standard-Nieten: 15–25 Tage. Wir werden die Lieferung so schnell wie möglich mit der garantierten Qualität durchführen.


F5: Die Qualität Ihrer Produkte?

Das Unternehmen verfügt über fortschrittliche Produktions- und Prüfgeräte. Jedes Produkt wird vor dem Versand zu 100 % von unserer Qualitätskontrollabteilung geprüft.


F6: Warum entscheiden wir uns für Nuote Technology?

1.Wir Nuote respektieren die Kundenbedingungen, um die Privatsphäre unserer Kunden zu schützen.

2. Hohe Qualität mit attraktivem Preis

3.Schnelle Vorlaufzeit

4. Glückliches Geschäft und Ehrlichkeit gegenüber Kunden und Partnern

5. Professionelle Verkaufsanzeigen beantworten Ihre Anfrage innerhalb von 8 Stunden.

6.Nuotes Produkte und Dienstleistungen werden mit gutem Ruf in mehr als 70 Länder verkauft


Hot-Tags: Ösenniet, China Ösenniet, Ösenniet Hersteller
Verwandte Kategorie
Anfrage absenden
Bitte zögern Sie nicht, Ihre Anfrage im untenstehenden Formular zu stellen. Wir werden Ihnen innerhalb von 24 Stunden antworten.
X
Wir verwenden Cookies, um Ihnen ein besseres Surferlebnis zu bieten, den Website-Verkehr zu analysieren und Inhalte zu personalisieren. Durch die Nutzung dieser Website stimmen Sie der Verwendung von Cookies zu. Datenschutzrichtlinie