Metallösen

Metallösen

Sie haben Metallösen wahrscheinlich schon oft gesehen, ohne sie überhaupt zu bemerken. Dabei handelt es sich um kleine Metallringe, die Löcher in Produkten aller Art verstärken. Eine Metallöse sieht vielleicht einfach aus, soll aber ein häufiges Problem lösen: Sie verhindert, dass Löcher reißen oder sich abnutzen. Ob in Ihren Schuhen oder Ihrem Rucksack, diese kleine Komponente sorgt dafür, dass die Dinge länger halten.

Anfrage absenden

Produktbeschreibung

Einführung der Metallöse

Das Anbringen einer Metallösen ist ganz einfach. Sie stecken den Hauptteil durch das Material und drücken dann das Unterlegscheibenstück auf die Rückseite. Spezialwerkzeuge können dies schnell erledigen, aber auch einfache Werkzeuge funktionieren einwandfrei. Das Tolle an einer Metallöse ist, dass sie das Material um das Loch herum vor Abnutzung schützt und alles sauber und stabil hält.


Metal Eyelet-Anwendungsshow:

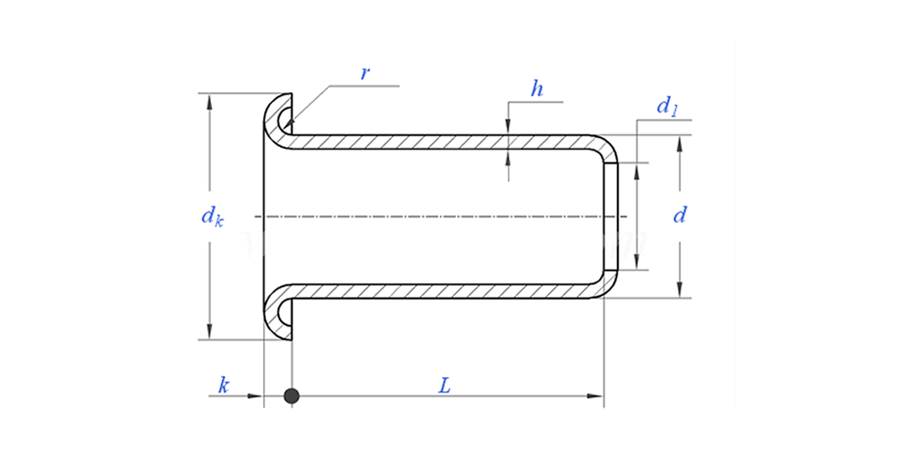
Metallösenzeichnung wie folgt:


Metallösen-Parameter (Spezifikation)



Material Messing, Stahl, Aluminium, Edelstahl, Kupfer
Oberflächenbehandlung Sauber, Verzinkung, Vernickelung, Versilberung, je nach Wunsch
Zertifikat Rohs-konform
Schaftdurchmesser 0,8–10 mm
Toleranz +/-0,05 mm
Anwendung Geeignet für den Einsatz in verschiedenen Branchen, einschließlich Automobil, Luft- und Raumfahrt, Elektrik und Elektronik usw.
Qualitätskontrolle Eine 100-prozentige Kontrolle des gesamten Sortiments während der gesamten Produktion stellt sicher, dass jedes Produkt der ISO-Norm entspricht und garantiert so qualitativ hochwertige Produkte.



Eigenschaften und Anwendung von Metallösen

Sie werden überrascht sein, an wie vielen Stellen Metallösen im Einsatz sind. Sie sind der Grund dafür, dass Ihre Schnürsenkellöcher nach wiederholtem Gebrauch nicht reißen. Bei Outdoor-Ausrüstung wie Zelten und Segeln halten Metallösen problemlos rauen Wetterbedingungen stand. Sie sind auch in industriellen Umgebungen unverzichtbar und helfen bei der Organisation von Kabeln und Leitungen. Überall dort, wo ein Loch vorhanden ist, das geschützt werden muss, findet sich wahrscheinlich eine Metallöse, die ihren Zweck erfüllt.


Details zur Herstellung von Metallösen

Verpackungsinformationen

FAQ:

F1: Wie hoch ist Ihr MOQ für Metallösen?

Die Mindestbestellmenge für Nieten beträgt 20.000 Stück.


F2: Können Sie mit unserer Zeichnung eine Maßanfertigung durchführen?

Ja, die meisten unserer Rohrnieten werden individuell nach Kundenzeichnung gefertigt.


F3: Könnten Sie kostenlose Muster der Hohlnieten zur Verfügung stellen?

Wir können kostenlose Muster für die Größe bereitstellen, die wir auf Lager haben. Die Expressgebühren werden jedoch vom Kunden getragen.


F4: Wie lange ist Ihre Lieferzeit?

Größe der Nieten auf Lager: 3–5 Tage, Nicht-Standard-Nieten: 15–25 Tage. Wir werden die Lieferung so schnell wie möglich mit der garantierten Qualität durchführen.


F5: Die Qualität Ihrer Produkte?

Das Unternehmen verfügt über fortschrittliche Produktions- und Prüfgeräte. Jedes Produkt wird vor dem Versand zu 100 % von unserer Qualitätskontrollabteilung geprüft.


F6: Warum entscheiden wir uns für Nuote Technology?

1.Wir Nuote respektieren die Kundenbedingungen, um die Privatsphäre unserer Kunden zu schützen.

2. Hohe Qualität mit attraktivem Preis

3.Schnelle Vorlaufzeit

4. Glückliches Geschäft und Ehrlichkeit gegenüber Kunden und Partnern

5. Professionelle Verkaufsanzeigen beantworten Ihre Anfrage innerhalb von 8 Stunden.

6.Nuotes Produkte und Dienstleistungen werden mit gutem Ruf in mehr als 70 Länder verkauft


Hot-Tags: Metallösen, China Metallösen, Metallösenfabrik
Verwandte Kategorie
Anfrage absenden
Bitte zögern Sie nicht, Ihre Anfrage im untenstehenden Formular zu stellen. Wir werden Ihnen innerhalb von 24 Stunden antworten.
X
Wir verwenden Cookies, um Ihnen ein besseres Surferlebnis zu bieten, den Website-Verkehr zu analysieren und Inhalte zu personalisieren. Durch die Nutzung dieser Website stimmen Sie der Verwendung von Cookies zu. Datenschutzrichtlinie