PCB-Ösen

PCB-Ösen

PCB-Ösen sind kleine Metallringe, die zum Einbau in eine Leiterplatte bestimmt sind. Es mag einfach aussehen, aber es spielt eine wichtige Rolle. Menschen verwenden sie, um starke und zuverlässige Löcher in eine Leiterplatte zu bohren. Diese kleine Komponente trägt dazu bei, dass Verbindungen während der Montage oder Verwendung nicht beschädigt werden. Nuote Metals hilft Ihnen gerne dabei, mehr über Ösen für Leiterplatten zu erfahren.

Anfrage absenden

Produktbeschreibung

Einführung von PCB-Ösen

Die Hauptaufgabe einer PCB-Öse besteht darin, ein Loch zu verstärken. Es besteht typischerweise aus Messing und ist oft mit Zinn oder Lot plattiert. Dies erleichtert das Anlöten von Bauteilen. Beim Einpressen in die Platine verstärkt eine PCB-Öse das Loch und verhindert so Risse in der Kupferleiterbahn. Es wirkt wie eine robuste Hülle, die das empfindliche Leiterplattenmaterial schützt.


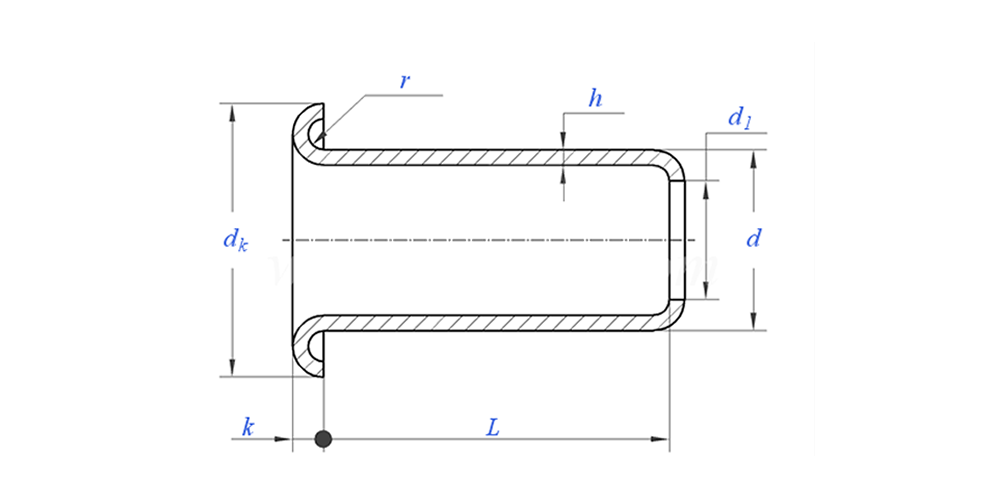
PCB-Ösenzeichnung wie folgt:

PCB-Ösenparameter (Spezifikation)



Material Messing
Oberflächenbehandlung Sauber, Verzinkung, Vernickelung, Versilberung, je nach Wunsch
Zertifikat Rohs-konform
Schaftdurchmesser 0,8–10 mm
Toleranz +/-0,05 mm
Anwendung Geeignet für den Einsatz in verschiedenen Branchen, einschließlich Automobil, Luft- und Raumfahrt, Elektrik und Elektronik usw.
Qualitätskontrolle Eine 100-prozentige Kontrolle des gesamten Sortiments während der gesamten Produktion stellt sicher, dass jedes Produkt der ISO-Norm entspricht und garantiert so qualitativ hochwertige Produkte.



Anwendungsbeispiel für PCB-Ösen:


Merkmale und Anwendung von PCB-Ösen

PCB-Ösen finden Sie in vielen elektronischen Produkten. Sie eignen sich perfekt für Orte, die einen starken Verbindungspunkt benötigen, wie z. B. einen Transformator oder einen großen Komponentenzweig. Eine PCB-Öse ist auch an Testpunkten üblich, an denen eine Sonde wiederholt angeschlossen werden kann. Bei Schaltern oder Steckverbindern sorgt die PCB-Öse dafür, dass die mechanische Belastung auf die Metallhülse und nicht auf die empfindliche Platine selbst wirkt. Sie sind für die Herstellung langlebiger Elektronik unerlässlich.


PCB-Ösen Produktionsdetails

Verpackungsinformationen

FAQ:

F1: Wie hoch ist Ihr MOQ für PCB-Ösen?

Die Mindestbestellmenge für Nieten beträgt 20.000 Stück.


F2: Können Sie mit unserer Zeichnung eine Maßanfertigung durchführen?

Ja, die meisten unserer Rohrnieten werden individuell nach Kundenzeichnung gefertigt.


F3: Könnten Sie kostenlose Muster der Hohlnieten zur Verfügung stellen?

Wir können kostenlose Muster für die Größe bereitstellen, die wir auf Lager haben. Die Expressgebühren werden jedoch vom Kunden getragen.


F4: Wie lange ist Ihre Lieferzeit?

Größe der Nieten auf Lager: 3–5 Tage, Nicht-Standard-Nieten: 15–25 Tage. Wir werden die Lieferung so schnell wie möglich mit der garantierten Qualität durchführen.


F5: Die Qualität Ihrer Produkte?

Das Unternehmen verfügt über fortschrittliche Produktions- und Prüfgeräte. Jedes Produkt wird vor dem Versand zu 100 % von unserer Qualitätskontrollabteilung geprüft.


F6: Warum entscheiden wir uns für Nuote Technology?

1.Wir Nuote respektieren die Kundenbedingungen, um die Privatsphäre unserer Kunden zu schützen.

2. Hohe Qualität mit attraktivem Preis

3.Schnelle Vorlaufzeit

4. Glückliches Geschäft und Ehrlichkeit gegenüber Kunden und Partnern

5. Professionelle Verkaufsanzeigen beantworten Ihre Anfrage innerhalb von 8 Stunden.

6.Nuotes Produkte und Dienstleistungen werden mit gutem Ruf in mehr als 70 Länder verkauft


Hot-Tags: PCB-Ösen, Ösen für PCB, China PCB-Ösen
Verwandte Kategorie
Anfrage absenden
Bitte zögern Sie nicht, Ihre Anfrage im untenstehenden Formular zu stellen. Wir werden Ihnen innerhalb von 24 Stunden antworten.
X
Wir verwenden Cookies, um Ihnen ein besseres Surferlebnis zu bieten, den Website-Verkehr zu analysieren und Inhalte zu personalisieren. Durch die Nutzung dieser Website stimmen Sie der Verwendung von Cookies zu. Datenschutzrichtlinie