Nietösen

Nietösen

Nietösen sind kleine ringförmige Verschlüsse. Es ist so konzipiert, dass es in ein Loch eingesetzt wird. Anschließend wird der Rand nach unten geklappt, um die Materialien zusammenzuhalten. Nuote Metals in Dongguan ist eine zuverlässige Fabrik zur Herstellung dieser nützlichen Teile.

Anfrage absenden

Produktbeschreibung

Einführung von Nietösen

Das Hauptmerkmal einer Nietöse ist ihre hohle Mitte. Dieses Loch macht es leichter als eine Vollniete. Es ermöglicht auch die Durchführung von Dingen wie Drähten oder Kabeln. Die Montage einer Nietöse ist ein schneller und einfacher Vorgang, weshalb sie in der Produktion sehr beliebt ist.


Anwendungsshow:

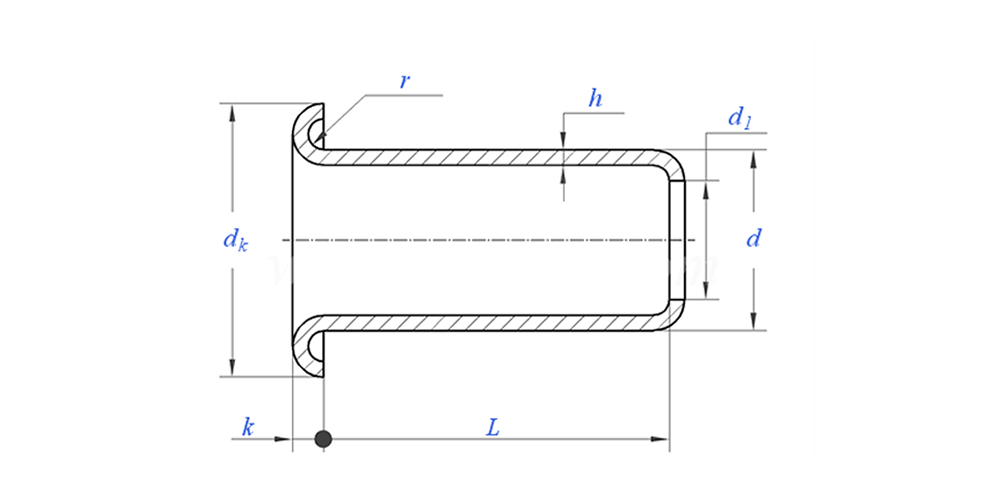
Zeichnung der Nietösen wie folgt:



Nietösen-Parameter (Spezifikation)



Material Messing, Stahl, Aluminium, Edelstahl, Kupfer
Oberflächenbehandlung Sauber, Verzinkung, Vernickelung, Versilberung, je nach Wunsch
Zertifikat Rohs-konform
Schaftdurchmesser 0,8–10 mm
Toleranz +/-0,05 mm
Anwendung Geeignet für den Einsatz in verschiedenen Branchen, einschließlich Automobil, Luft- und Raumfahrt, Elektrik und Elektronik usw.
Qualitätskontrolle Eine 100-prozentige Kontrolle des gesamten Sortiments während der gesamten Produktion stellt sicher, dass jedes Produkt der ISO-Norm entspricht und garantiert so qualitativ hochwertige Produkte.




Eigenschaften und Anwendung von Nietösen

Nietösen finden Sie in vielen gängigen Produkten. Sie werden in Schuhen für die Schnürsenkellöcher und in Taschen für Riemenbefestigungen verwendet. Sie sind auch in der Elektronik und in Autoteilen wichtig. Bei all diesen Anwendungen sorgt die Nietöse für eine starke und dauerhafte Verbindung.


Nieten-Ösen-Details

Verpackungsinformationen

FAQ:

F1: Wie hoch ist Ihr MOQ für Nietösen?

Die Mindestbestellmenge für Nieten beträgt 20.000 Stück.


F2: Können Sie mit unserer Zeichnung eine Maßanfertigung durchführen?

Ja, die meisten unserer Rohrnieten werden individuell nach Kundenzeichnung gefertigt.


F3: Könnten Sie kostenlose Muster der Hohlnieten zur Verfügung stellen?

Wir können kostenlose Muster für die Größe bereitstellen, die wir auf Lager haben. Die Expressgebühren werden jedoch vom Kunden getragen.


F4: Wie lange ist Ihre Lieferzeit?

Größe der Nieten auf Lager: 3–5 Tage, Nicht-Standard-Nieten: 15–25 Tage. Wir werden die Lieferung so schnell wie möglich mit der garantierten Qualität durchführen.


F5: Die Qualität Ihrer Produkte?

Das Unternehmen verfügt über fortschrittliche Produktions- und Prüfgeräte. Jedes Produkt wird vor dem Versand zu 100 % von unserer Qualitätskontrollabteilung geprüft.


F6: Warum entscheiden wir uns für Nuote Technology?

1.Wir Nuote respektieren die Kundenbedingungen, um die Privatsphäre unserer Kunden zu schützen.

2. Hohe Qualität mit attraktivem Preis

3.Schnelle Vorlaufzeit

4. Glückliches Geschäft und Ehrlichkeit gegenüber Kunden und Partnern

5. Professionelle Verkaufsanzeigen beantworten Ihre Anfrage innerhalb von 8 Stunden.

6.Nuotes Produkte und Dienstleistungen werden mit gutem Ruf in mehr als 70 Länder verkauft


Hot-Tags: Nietösen, China Nietösen, Hersteller von Nietösen
Verwandte Kategorie
Anfrage absenden
Bitte zögern Sie nicht, Ihre Anfrage im untenstehenden Formular zu stellen. Wir werden Ihnen innerhalb von 24 Stunden antworten.
X
Wir verwenden Cookies, um Ihnen ein besseres Surferlebnis zu bieten, den Website-Verkehr zu analysieren und Inhalte zu personalisieren. Durch die Nutzung dieser Website stimmen Sie der Verwendung von Cookies zu. Datenschutzrichtlinie