Schuhösen

Schuhösen

Wir stellen Schuhösen in unserer Fabrik in Dongguan, China, her. Ösen sind kleine Metallringe, die man an Schuhen als Schnürsenkel sieht. Sie werden auch als Ösen bezeichnet. Wir machen sie stark, damit sie nicht brechen, wenn Sie die Schnürsenkel festziehen. Unsere Schuhösen werden aus verschiedenen Metallen wie Messing, Aluminium und Edelstahl hergestellt. Und sie können in verschiedenen Farben hergestellt werden, um zu allen Arten von Schuhen zu passen.

Anfrage absenden

Produktbeschreibung

Die Hauptaufgabe von Schuhösen besteht darin, den Schuh zu schützen. Beim Ziehen der Schnürsenkel nimmt der Metallring den Druck auf und nicht das Schuhmaterial. Dadurch wird verhindert, dass die Löcher größer werden oder reißen. Gute Schuhösen erleichtern auch das Durchziehen der Schnürsenkel. Sie helfen Ihnen, Ihre Schuhe schnell zuzubinden, ohne dass die Schnürsenkel hängen bleiben.


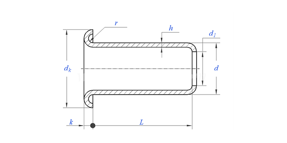
Zeichnung der Schuhösen wie folgt:

Schuhösen-Parameter (Spezifikation)



Material Messing, Stahl, Aluminium, Edelstahl, Kupfer
Oberflächenbehandlung Sauber, Verzinkung, Vernickelung, Versilberung, je nach Wunsch
Zertifikat Rohs-konform
Schaftdurchmesser 0,8–10 mm
Toleranz +/-0,05 mm
Anwendung Geeignet für den Einsatz in verschiedenen Branchen, einschließlich Automobil, Luft- und Raumfahrt, Elektrik und Elektronik usw.
Qualitätskontrolle Eine 100-prozentige Kontrolle des gesamten Sortiments während der gesamten Produktion stellt sicher, dass jedes Produkt der ISO-Norm entspricht und garantiert so qualitativ hochwertige Produkte.



Anwendungsshow:



Funktion und Anwendung von Schuhösen

Schuhösen sieht man an fast jedem Schuh mit Schnürsenkeln. Schulschuhe für Kinder müssen langlebig sein, wenn es um raues Spielen geht. Laufschuhe nutzen sie, um Sportlern einen sicheren Halt zu verschaffen. Sogar schicke Lederschuhe haben Schuhösen, obwohl sie dadurch manchmal dekorativer wirken. Ohne diese kleinen Metallringe würden sich unsere Schuhe viel schneller abnutzen und wären schwieriger anzuziehen.


Metallöse Produktionsdetails

Verpackungsinformationen

FAQ:

F1: Wie hoch ist Ihr MOQ für Schuhösen?

Die Mindestbestellmenge für Nieten beträgt 20.000 Stück.


F2: Können Sie mit unserer Zeichnung eine Maßanfertigung durchführen?

Ja, die meisten unserer Rohrnieten werden individuell nach Kundenzeichnung gefertigt.


F3: Könnten Sie kostenlose Muster der Hohlnieten zur Verfügung stellen?

Wir können kostenlose Muster für die Größe bereitstellen, die wir auf Lager haben. Die Expressgebühren werden jedoch vom Kunden getragen.


F4: Wie lange ist Ihre Lieferzeit?

Größe der Nieten auf Lager: 3–5 Tage, Nicht-Standard-Nieten: 15–25 Tage. Wir werden die Lieferung so schnell wie möglich mit der garantierten Qualität durchführen.


F5: Die Qualität Ihrer Produkte?

Das Unternehmen verfügt über fortschrittliche Produktions- und Prüfgeräte. Jedes Produkt wird vor dem Versand zu 100 % von unserer Qualitätskontrollabteilung geprüft.


F6: Warum entscheiden wir uns für Nuote Technology?

1.Wir Nuote respektieren die Kundenbedingungen, um die Privatsphäre unserer Kunden zu schützen.

2. Hohe Qualität mit attraktivem Preis

3.Schnelle Vorlaufzeit

4. Glückliches Geschäft und Ehrlichkeit gegenüber Kunden und Partnern

5. Professionelle Verkaufsanzeigen beantworten Ihre Anfrage innerhalb von 8 Stunden.

6.Nuotes Produkte und Dienstleistungen werden mit gutem Ruf in mehr als 70 Länder verkauft


Hot-Tags: Schuhösen, China Schuhösen, Schuhösen Hersteller
Verwandte Kategorie
Anfrage absenden
Bitte zögern Sie nicht, Ihre Anfrage im untenstehenden Formular zu stellen. Wir werden Ihnen innerhalb von 24 Stunden antworten.
X
Wir verwenden Cookies, um Ihnen ein besseres Surferlebnis zu bieten, den Website-Verkehr zu analysieren und Inhalte zu personalisieren. Durch die Nutzung dieser Website stimmen Sie der Verwendung von Cookies zu. Datenschutzrichtlinie